Replacement Zone Valve Motor Actuator 220-240V
Hysteresis motor is a kind of motor suitable for a variety of occasions, its application range is very wide, such as electric valves, actuators, air valves, machine tool control, automation control, instrumentation, etc., but also widely used in household appliances, such as washing machines, exhaust fans, vacuum cleaners and so on. Hysteresis motor is widely used because it has many advantages.
1.The hysteresis motor has good linear characteristics, and its output power is linear with the input signal. This characteristic allows hysteresis motors to perform control tasks with high precision, while also making it easier to adjust through control signals.
2.The structure of the hysteresis motor is simple, installation, maintenance and use are very convenient, in addition, the hysteresis motor itself also has high reliability, long life and other characteristics, making it not only widely used in household appliances, but also become some high-end mechanical equipment in the indispensable transmission device.
3.Hysteresis motor can achieve speed regulation by changing the size of the applied voltage, so it can be well adapted to the needs of different occasions, and its speed control range is also relatively wide. This feature makes the use of hysteresis motors more flexible and diverse, and can meet the needs of different fields.
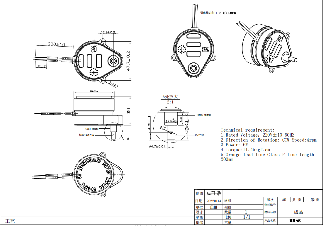
Product Overview
TH-204-SGAC
• Gear group for the senior steel teeth, the copper teeth and steel teth.
• Copper gear is made by Swiss precision hobbing.
• The motor shell is made by galvanized steel sheet (SECC).
• Low-noise, temperature rise low and insulation high temperature.
• High-torque, long locked, motor not burned.
Specification
|
Item |
value |
|
Place of Origin |
China |
|
Brand Name |
SONGGANG |
|
Type |
Synchronous Motor |
|
Model Number |
TH-204-SGAC |
|
AC Voltage |
AC/12,24,100,110~120,200~240V |
|
Phase |
Single-phase |
|
Speed |
3-4rpm/4-5RPM/5-6RPM |
|
Rated Frequency |
50/60HZ |
|
Direction of Rotation |
CW, CCW |
|
Power |
6W |
|
Noise |
45dB |
|
Insulation Class |
B E F |
Other information
•Certificates, awards and process.
•Sample: standard motor size such as picture, the unique requirements, Please provide the necessary axis, bearings, rotation speed, rotation, torque and uses.
•Also provide special rotation speed and high-strength torque, please contact our business department.
•The bearing has three kinds of size, and has special bronze bearing, roller bearings, and so on.










Shenzhen Songgang Technology Co.,Ltd is one branch of Songgang International group company headquarters in Hongkong, Since Its founded 2004, it keeps producing and sourcing all kinds of motors quality guaranteed by its production plants in Taiwan, and China mainland.
Product range cover the synchronous motor, two-way synchronous motor,hysteresis motor(HTS), Powder metallurgy gear, brushless DC motor, planetary gear motor and DC gear motors widely used for Automotive,Home appli- ance,Personal care, Power tools, Industry, and Intelligent products.
Its production plant has been certified by i s 0 9 0 0 1, utilizes modern and advanced technology producing and testing equipment like HEXAGON CMM, SODICK WEDM-LS/HS,WAHLI hobbing Machines,Gear meshing measuring instrument, MAGTROL motor performance tester, and 100+ skilled experienced workers to assure the high-quality products.
Shenzhen Songgang aims to be one of the best motors providers in China, To meet the strong customer needs, our company also represents.
MABUCHI MOTOR from Japan, is deeply believed to be the best your sourcing agent to meet your requirement through of the strong system and experience holding thousands of motors producers of China.
In Shenzhen, Hong Kong and Taiwan, some normal motors in stock can be delivered the customers in worldwide quickly to meet the urgent demand.
Our company will continue to uphold the spirit of seeking for greater perfection and innovation in the future, And will be committed to create a new era of synchronous motor.
Factory production line

Certificate




Packing & Shipping

1) Samples and bulk products by FedEx/DHL/UPS/TNT.
2) Air or sea freight for bulk shipments, for FCL airport port reception.
3) Customer appointed freight forwarder or negotiable shipping method!
4) 3-5 days for International Express, 30-35 days for Ocean Freight.
Q&A
Precautions
Product pictures due to light or resolution is not clear, please forgive me, the physical quality shall prevail!
When you receive the courier, please promptly check the goods, verify that there is no error before signing, if you find that the goods are unsealed, information does not match, damaged goods, etc., please refuse to sign, and then contact customer service, customer service check to confirm that you will be satisfied with the solution.
Network transactions, expensive in good faith! Thank you for the support and understanding, happy shopping!
Hot Tags: replacement zone valve motor actuator 220-240v, China replacement zone valve motor actuator 220-240v manufacturers, suppliers, factory, High Torque Low Noise Mini Dc Motor PFK 337DP 3847DA 53A Motor For Precision Control Applications, AC Motor 50kty 60kty 70kty, Electric Brushless DC MINI Motor DC 24V 8872RPM BLDC3630 A3DC VCRDVD Music Players Motor, Micro Brushless DC High Speed Motor, Micro DC Reduction Motor SGA GM12 N20VA A35 298 7 5DDC6V30RPM For Intelligent Robot Motor Fingerprint Lock 6V9V12V, Dc6v 10mm Metal Spur Gear Dc Motor
You Might Also Like
Send Inquiry
















